您好:欢迎访问中华泰山·建筑四新技术应用网!
返回首页
加入收藏
联系我们
热点视频
登录
免费注册
退出
网站首页
芝麻开门
政策直通车
网络展厅
榜上有名
行业热点
精品建库
四新产品库
单位展示
他山石
热点视频
促销公告
招聘 求职 会议
单位风采
新材料 新技术
新设备 新工艺
精品楼盘 房屋租赁
供求信息
美丽风景
走进企业
工具专栏
美丽乡村
首页
登录
免费注册
退出
芝麻开门
返回上一级
政策直通车
网络展厅
榜上有名
行业热点
精品建库
返回上一级
四新产品库
单位展示
他山石
热点视频
返回上一级
促销公告
招聘 求职 会议
单位风采
新材料 新技术
新设备 新工艺
精品楼盘 房屋租赁
供求信息
美丽风景
走进企业
工具专栏
美丽乡村
功能专栏
设计师论坛
新材料 新技术
新设备 新工艺
特色服务
业务办理指南
网站简介
服务内容
网上报名
互动上传
友情链接
中国住房和城乡建设部
山东住房和城乡建设厅
泰安市建设信息网
中国勘察设计协会
山东省勘察设计协会
泰安市企业与企业家联合会
最新信息
您的当前位置:
首页
>
业务公示
>
设计师论坛
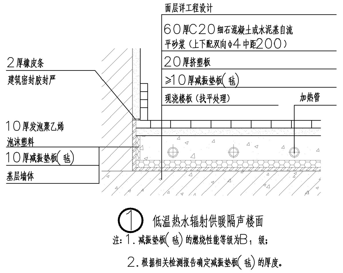
住宅分户墙、楼面隔声图示(2025版)
发表日期:2025-12-05 08:38:27 浏览次数:
咨询热线:汪老师 13053839888
上一篇:
钢结构建筑,这款新型楼承板直接取代镀锌钢板,吊顶成本能完全省
下一篇:
住宅隔声降噪、防串味专篇(2025)